U Tipi Yatak (Ø mm)
Ø32
Ø40
Ø50
Ø63
Ø80
Ø100
Ø125
Ø160
Ø200
Ø250
Ø320




| Silindir (Ø mm) |
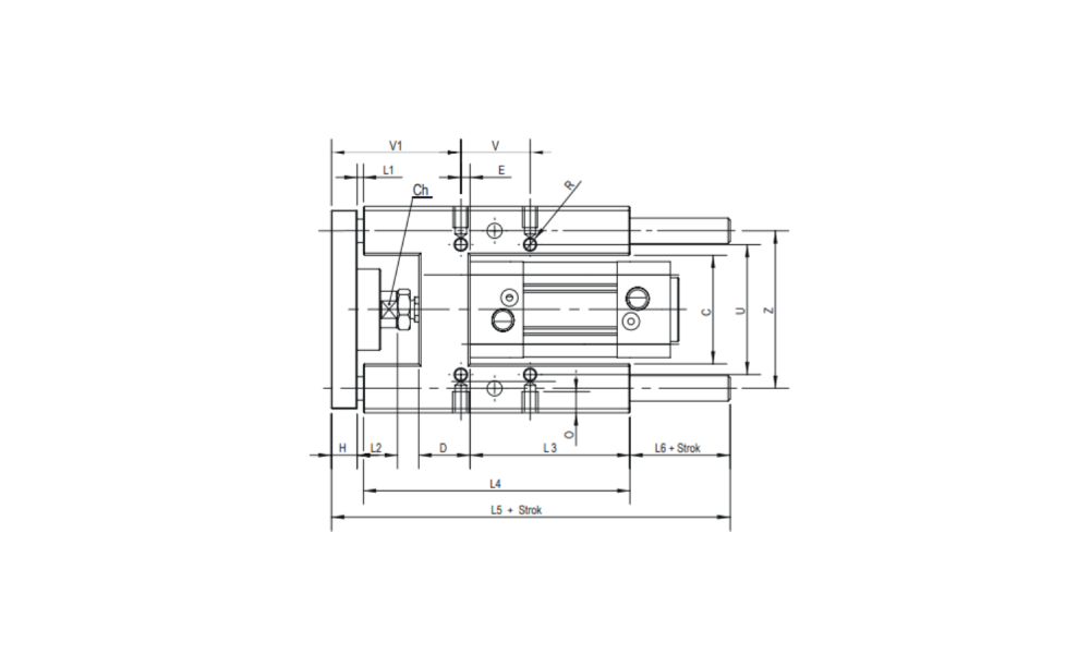
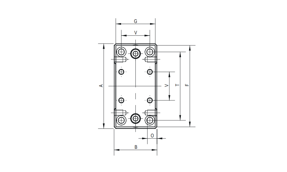
A | B | C | Ch | D | E | F | G | H | ØI | L1 | L2 | L3 | L4 | L5 | L6 | N | O | P | Q | R | T | U | V | VI | Z |
|---|---|---|---|---|---|---|---|---|---|---|---|---|---|---|---|---|---|---|---|---|---|---|---|---|---|---|
| 32 | 97 | 49 | 51 | 15 | 24 | 4.3 | 93 | 45 | 12 | 12 | 3 | 19 | 75 | 125 | 187 | 47 | 6.6 | 12 | 11 | 6.5 | M6 | 78 | 61 | 32.5 | 60.7 | 74 |
| 40 | 115 | 58 | 58.2 | 15 | 28 | 11 | 112 | 55 | 12 | 16 | 3 | 24 | 80 | 140 | 207 | 52 | 6.6 | 12 | 11 | 6.5 | M6 | 84 | 69 | 38 | 64 | 87 |
| 50 | 137 | 70 | 70.2 | 20 | 34 | 18.8 | 134 | 65 | 15 | 20 | 3 | 27 | 78 | 148 | 223 | 57 | 9 | 16 | 15 | 8.5 | M8 | 100 | 85 | 46.5 | 70 | 104 |
| 63 | 152 | 85 | 85.2 | 20 | 34 | 15.3 | 147 | 80 | 15 | 20 | 3 | 27 | 106 | 178 | 243 | 47 | 9 | 16 | 15 | 9 | M8 | 105 | 100 | 56.5 | 74.7 | 119 |
| 80 | 189 | 105 | 105.5 | 26 | 50 | 25 | 180 | 100 | 20 | 25 | 3 | 27 | 111 | 195 | 267 | 49 | 11 | 20 | 18 | 11 | M10 | 130 | 130 | 72 | 82 | 148 |
| 100 | 213 | 130 | 130.5 | 26 | 55 | 30 | 206 | 120 | 20 | 25 | 3 | 27 | 128 | 218 | 290 | 49 | 11 | 20 | 18 | 11 | M10 | 150 | 150 | 89 | 83 | 173 |