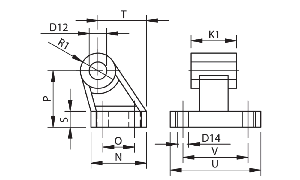
Yer Bağlantı Silindir (Ø mm)
Ø32
Ø40
Ø50
Ø63
Ø80
Ø100
Ø125
Ø160
Ø200
Ø250
Ø320



| CETOP SERİSİ (PAG - PNS) | |||||||||||
|---|---|---|---|---|---|---|---|---|---|---|---|
| Silindir (Ø mm) |
D12 Ø |
D14 | K1 | N | O | P | R1 | S | T | U | V |
| 32 | 10 | 6,6 | 26 | 31 | 18 | 32 | 10 | 8 | 27,5 | 51 | 38 |
| 40 | 12 | 6,6 | 28 | 35 | 22 | 36 | 11 | 10 | 30,5 | 54 | 41 |
| 50 | 12 | 9 | 32 | 45 | 30 | 45 | 13 | 12 | 40,5 | 65 | 50 |
| 63 | 16 | 9 | 40 | 50 | 35 | 50 | 15 | 12 | 44,5 | 67 | 52 |
| 80 | 16 | 11 | 50 | 60 | 40 | 63 | 15 | 14 | 57 | 86 | 66 |
| 100 | 20 | 11 | 60 | 70 | 50 | 71 | 19 | 15 | 65 | 96 | 76 |


| CETOP SERİSİ (PNS) | |||||||||||
|---|---|---|---|---|---|---|---|---|---|---|---|
| Silindir (Ø mm) |
D12 Ø |
D14 | K1 | N | O | P | R1 | S | T | U | V |
| 125 | 25 | 14 | 70 | 90 | 60 | 90 | 22,5 | 20 | 85 | 124 | 94 |
| 160 | 30 | 14 | 90 | 126 | 88 | 115 | 31,5 | 25 | 116 | 156 | 118 |
| 200 | 30 | 18 | 90 | 130 | 90 | 135 | 31,5 | 30 | 125 | 162 | 122 |
| 250 | 40 | 22 | 110 | 160 | 110 | 165 | 40 | 35 | 153 | 200 | 150 |
| 320 | 45 | 26 | 120 | 186 | 122 | 200 | 45 | 40 | 182 | 234 | 170 |
| ISO SERİSİ | |||||||||||
|---|---|---|---|---|---|---|---|---|---|---|---|
| Silindir (Ø mm) |
D12 Ø |
D14 | K1 | N | O | P | R1 | S | T | U | V |
| 32 | 10 | 6,6 | 26 | 31 | 18 | 32 | 10 | 8 | 27,5 | 51 | 38 |
| 40 | 12 | 6,6 | 28 | 35 | 22 | 36 | 11 | 10 | 30,5 | 54 | 41 |
| 50 | 12 | 9 | 32 | 45 | 30 | 45 | 13 | 12 | 40,5 | 65 | 50 |
| 63 | 16 | 9 | 40 | 50 | 35 | 50 | 15 | 12 | 44,5 | 67 | 52 |
| 80 | 16 | 11 | 50 | 60 | 40 | 63 | 15 | 14 | 57 | 86 | 66 |
| 100 | 20 | 11 | 60 | 70 | 50 | 71 | 19 | 15 | 65 | 96 | 76 |
| 125 | 25 | 14 | 70 | 90 | 60 | 90 | 22,5 | 20 | 85 | 124 | 94 |
| 160 | 30 | 14 | 90 | 126 | 88 | 115 | 31,5 | 25 | 116 | 156 | 118 |
| 200 | 30 | 18 | 90 | 130 | 90 | 135 | 31,5 | 30 | 125 | 162 | 122 |
| 250 | 40 | 22 | 110 | 160 | 110 | 165 | 40 | 35 | 153 | 200 | 150 |
| 320 | 45 | 26 | 120 | 186 | 122 | 200 | 45 | 40 | 182 | 234 | 170 |