Ayak Bağlantı Silindir (Ø mm)
Ø32
Ø40
Ø50
Ø63
Ø80
Ø100
Ø125
Ø160
Ø200
Ø250
Ø320



| CETOP SERİSİ (PAG - PNS) | ||||||||
|---|---|---|---|---|---|---|---|---|
| Silindir (Ø mm) |
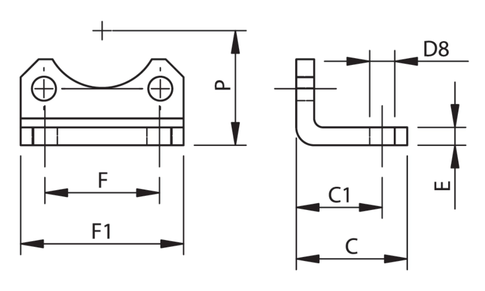
C | C1 | D8 Ø |
E | F | F1 | L5 | P |
| 32 | 32 | 24 | 7 | 4 | 32 | 45 | 142 | 32 |
| 40 | 38 | 28 | 9 | 5 | 36 | 54 | 161 | 36 |
| 50 | 42 | 32 | 9 | 6 | 45 | 65 | 170 | 45 |
| 63 | 50 | 35 | 9 | 6 | 50 | 80 | 185 | 50 |
| 80 | 60 | 43 | 12 | 8 | 63 | 96 | 210 | 63 |
| 100 | 57 | 43 | 14 | 8 | 75 | 126 | 220 | 71 |


| CETOP SERİSİ (PNS) | ||||||||
|---|---|---|---|---|---|---|---|---|
| Silindir (Ø mm) |
C | C1 | D8 Ø |
E | F | F1 | L5 | P |
| 125 | 69 | 50 | 16 | 11 | 90 | 140 | 250 | 90 |
| 160 | 87 | 65 | 18 | 13 | 115 | 180 | 300 | 115 |
| 200 | 95 | 70 | 22 | 15 | 135 | 220 | 320 | 135 |
| 250 | 105 | 75 | 26 | 20 | 165 | 270 | 350 | 165 |
| 320 | 125 | 85 | 33 | 23 | 200 | 340 | 390 | 200 |
| ISO SERİSİ | |||||||||||||||||||
|---|---|---|---|---|---|---|---|---|---|---|---|---|---|---|---|---|---|---|---|
| Silindir (Ø mm) |
B1 | D5 | K1 | K | U | D12 Ø | L | T | P | N | L8 | M | 2 | D14 Ø | V | O | X | Z | |
| 32 | 32,5 | 45 | 26 | 45 | 51 | 10 | 22 | 27,5 | 32 | 31 | 142 | 9 | 8 | 6,6 | 38 | 18 | 21 | 9,5 | |
| 40 | 38 | 54 | 28 | 52 | 54 | 12 | 25 | 30,5 | 36 | 35 | 160 | 9 | 10 | 6,6 | 41 | 22 | 24 | 9 | |
| 50 | 46,5 | 65 | 32 | 60 | 65 | 12 | 27 | 40,5 | 45 | 45 | 170 | 11 | 12 | 9 | 50 | 30 | 33 | 12,5 | |
| 63 | 56,5 | 76 | 40 | 70 | 67 | 16 | 32 | 44,5 | 50 | 50 | 190 | 11 | 12 | 9 | 52 | 35 | 37 | 12 | |
| 80 | 72 | 94 | 50 | 90 | 86 | 16 | 36 | 57 | 63 | 60 | 210 | 14 | 14 | 11 | 66 | 40 | 47 | 16 | |
| 100 | 89 | 112 | 60 | 110 | 96 | 20 | 41 | 65 | 71 | 70 | 230 | 14 | 15 | 11 | 76 | 50 | 55 | 15 | |
| 125 | 110 | 145 | 70 | 130 | 124 | 25 | 50 | 85 | 90 | 90 | 275 | 20 | 20 | 14 | 94 | 60 | 70 | 17,5 | |
| 160 | 140 | 186 | 90 | 170 | 156 | 30 | 55 | 116 | 115 | 126 | 315 | 20 | 25 | 14 | 118 | 88 | 97 | 22 | |
| 200 | 175 | 220 | 90 | 170 | 162 | 30 | 60 | 125 | 135 | 130 | 335 | 25 | 30 | 18 | 122 | 90 | 105 | 25 | |
| 250 | 220 | 270 | 110 | 200 | 200 | 40 | 70 | 153 | 165 | 160 | 375 | 25 | 35 | 22 | 150 | 110 | 128 | 30 | |
| 320 | 270 | 340 | 120 | 220 | 234 | 45 | 80 | 182 | 200 | 186 | 420 | 30 | 40 | 26 | 170 | 122 | 150 | 30 | |